

— Knowledge —
— PRODUCTS —
Service Hotline +8613974960765 Email:susie@hnljpump.com
Mobile:+8618507312158
TEL:+8613974960765
vertical turbine pump
发布时间:2021/1/15 13:03:23 人气: [content:visits]
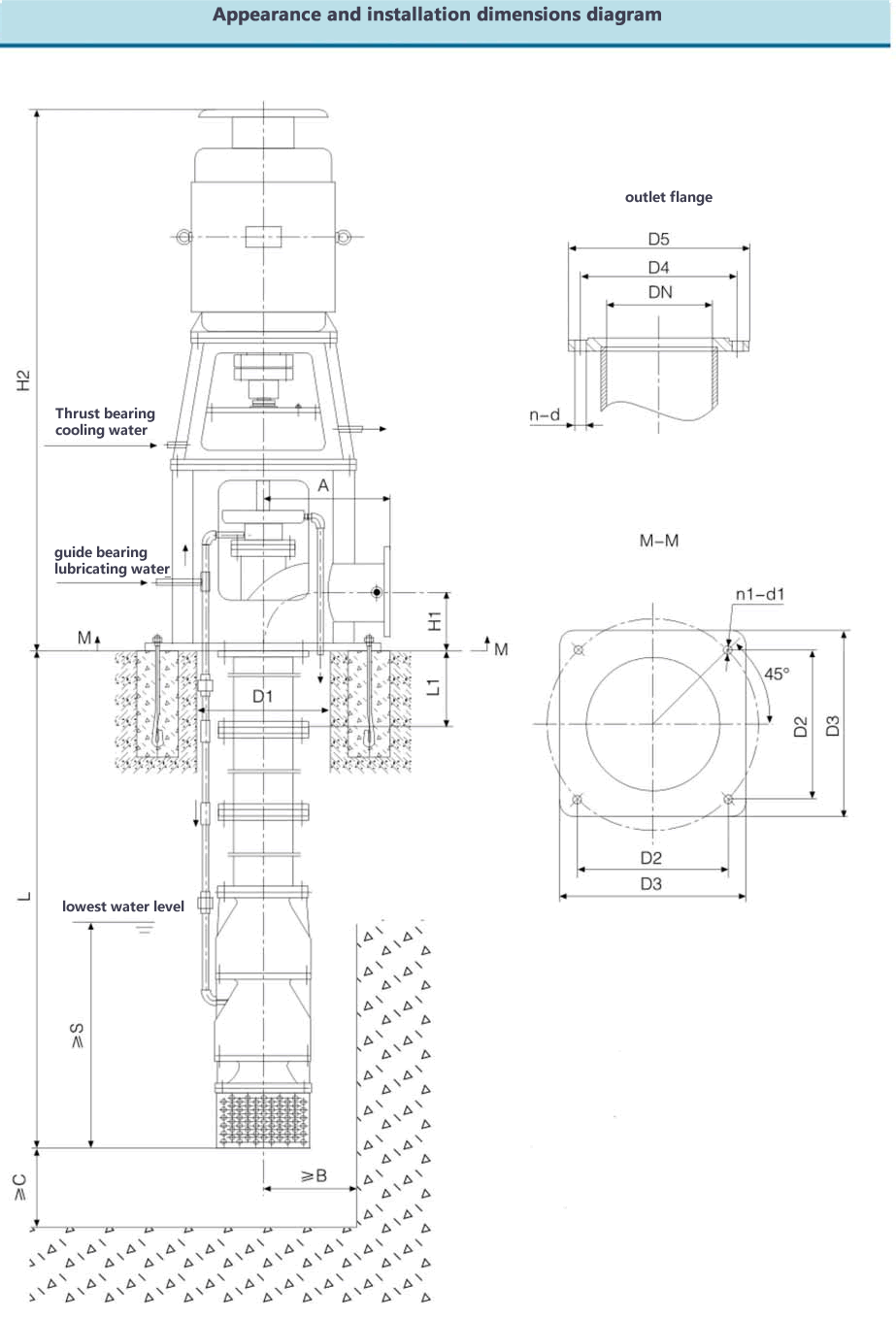
LC series motor vertical long axle fire pump outline installation dimension diagram, for reference only, subject to physical object!

相关推荐
screenshots ,WeChat Scan the Qr Code
WeChat:ljpump6666